Файл: Исследование характеристик и параметров полевых транзисторов.doc
Добавлен: 10.02.2019
Просмотров: 1161
Скачиваний: 8
Лабораторная работа N5
Исследование характеристик и параметров полевых транзисторов
|
Цель работы: |
Изучение структуры и принципа работы полевых транзисторов, и их статических характеристик и дифференциальных параметров. |
-
ВВЕДЕНИЕ
Полевой транзистор – это полупроводниковый прибор, усилительные свойства которого обусловлены потоком основных носителей, управляемым электрическим полем и протекающим через проводящий канал.
Данное определение полевого транзистора объясняет существование трех различных терминов, определяющих этот тип приборов. По принципу управления электрическим током (электрическим полем) такие приборы называют полевыми. Их также называют униполярными (в отличии от биполярных), поскольку перенос тока в них обеспечивают носители заряда одного типа. Наконец, можно встретить термин “канальные приборы”, поскольку параметры такого прибора определяются свойствами канала, в котором могут перемещаться носители заряда.
Полевые
приборы в схемах выполняют те же функции,
что и биполярные, и могут работать в
усилительном или ключевом режимах. Их
основное отличие от биполярных в том,
что их цепь управления изолирована от
выходной цепи либо диэлектриком, либо
обратносмещенным p
– n
переходом. Цепь управления полевого
прибора можно представить конденсатором,
заряд на обкладках которого изменяется
под действием управляющего поля
(напряжения). Полупроводник служит
одной из обкладок этого конденсатора
C,
которая входит в выходную цепь прибора:
изменение заряда обкладки вызывает
изменение сопротивления канала
и, соответственно, выходного тока и
мощности (рис.1).
2. ТЕОРЕТИЧЕСКАЯ ЧАСТЬ
-
Классификация и условные обозначения полевых транзисторов
Классифицировать полевые транзисторы можно по трем параметрам:
- по полярности носителей заряда в канале: n – или p – канальные;
- по типу изоляции затвора: транзисторы с управляющим p – n переходом и полевые транзисторы с изолированным затвором;
- по типу легирования канала: транзисторы обогащенного или обедненного типа.
Управление током полевого транзистора выполняется с помощью электрического поля, созданного управляющим сигналом. В полупроводнике имеется область, в которой перемещаются носители заряда и проводимостью которой управляет внешнее электрическое поле. Эта область называется проводящим каналом, или просто каналом, и может быть полупроводником p – или n – типа, электрод, через который в канал поступают носители заряда, называется истоком (обозначается И). Электрод, через который выходят из полупроводника носители заряда, называется стоком (С). Электрод, на который подается управляющий сигнал, называется затвором (З).
Затвор изолирован от проводящего канала либо p – n переходом, на который подано обратное смещение (диодная изоляция), либо слоем диэлектрика (оксид кремния). В первом случае имеем полевой транзистор с управляющим p - n переходом, во втором – транзистор с изолированным затвором – МДП – или МОП – транзистор. Аббревиатура МДП – металл – диэлектрик – полупроводник (МОП – металл – оксид - полупроводник) отражает структуру транзистора в области затвора. Металл – это металлизированный электрод затвора.
Из восьми возможных комбинаций, допускаемых выше перечисленными тремя классификационными параметрами в настоящее время реализованы пять. Их можно представить в виде следующей диаграммы (рис.2):
В электрических схемах полевые транзисторы имеют свое графическое изображение, представленное на рис.3
2.2. Полевой транзистор с управляющим p – n переходом
Полевой транзистор
с
управляющим p
– n
переходом (ПТУП) имеет два омических
перехода в области истока и стока, через
которые проходит управляемый поток
основных носителей, и один или два
управляющих p
– n
перехода, смещенных в обратном направлении
(рис.4). Как видно из рис.4, на управляю
щие
переходы подано обратное смещение и
на них же подается управляющий переменный
внешний сигнал. При изменениях обратного
напряжения на p
– n
переходах изменяется ширина зоны
обеднения или области пространственного
заряда (ОПЗ), показанной на рис.4 штриховой
линией. Вследствие этого изменяется
ширина канала d.
По которому могут свободно перемещаться
носители, и, следовательно, сопротивление
участка исток – сток и ток через нагрузку
.
Таким образом, ПТУП способен управлять
током стока, создаваемым внешним
достаточно мощным источником питания
в цепи нагрузки, в зависимости от
маломощного источника управляющего
сигнала. Так как в цепи управления при
этом могут протекать только малые
обратные токи p
- n
перехода, то мощность, потребляемая
транзистором от источника сигнала в
цепи управления, ничтожно мала.
Рассмотрим
сначала процессы в канале ПТУП при
.
Зависимость толщины канала d
от напряжения затвор – исток
имеет вид:
(2.1)
где:
- максимальная толщина канала при
;
-
суммарная толщина ОПЗ, в зависимости
от
;
[
]
– электрическая постоянная;
- относительная диэлектрическая
проницаемость полупроводника, q
– элементарный заряд носителей; N
– концентрация основных носителей.
При
некотором значении
ОПЗ занимает весь канал (
)
- происходит так называемая отсечка
канала.
Из (2.1) легко находится напряжение
,
при котором отсечка канала наступает
(
- напряжение отсечки при d
= 0):
(2.2)
Тогда
(2.3)
Рассмотрим
процессы в канале при
.
В этом случае на толщину канала, кроме
,
будет влиять и
,
которое плавно возрастает вдоль оси x
(рис.5, а). В точке канала с координатой
x
напряжение будет
,
а напряжение на p
– n
переходе (
+
).
Толщина канала поэтому тоже зависит
от x:
(2.4)
С
ростом
толщина канала больше всего уменьшается
в области стока (при
), так как там будет наибольшее запирающее
напряжение. Следовательно, сопротивление
канала будет возрастать даже при
неизменном напряжении
с ростом напряжения
.
При некотором граничном значении
напряжения
,
равном
(2.5)
Канал
в точке
перекрывается ОПЗ.
Перекрытие
канала ОПЗ не означает прекращения
тока в транзисторе. При малых напряжениях
сток – исток
<
сужение канала увеличивает его
сопротивление
,
но оно возрастает медленнее, чем
напряжение
.
Поэтому на этом участке значений
ток стока
возрастает сначала почти линейно, а
вблизи значений
рост тока
замедляется. Поэтому при достижении
=
ток стока достигает некоторого значения,
которое называют начальным
током стока
.
При
>
ОПЗ заполняет канал по его длине,
смещаясь в сторону истока (рис.5, б).
Потенциал канала в точке А практически
не изменяется и равен
,
поэтому разность напряжений
приходится на область ОПЗ длиной
.
Ток стока при этом остается практически
постоянным и равным
.
Поскольку само перекрытие канала,
областью пространственного заряда
есть следствие роста тока стока
,
поэтому после перекрытия отсекается
не сам ток, а его приращения за счет
роста
.
Небольшой рост тока
в этой области все – таки происходит
за счет уменьшения длины канала до
и соответствующего уменьшения
сопротивления канала
.
Эта область напряжений
>
соответствует участку насыщения тока
и является рабочей (усилительной)
областью, поскольку здесь ПТУП по
отношению к внешней цепи представляется
источником постоянного тока
и имеет большое выходное сопротивление.
2.3. Статические характеристики
Важнейшими для полевых транзисторов являются семейства выходных статических характеристик и семейство статических характеристик передачи (сток – затворные характеристики).
Выходные
статические характеристики ПТУП
– это зависимость тока
от напряжения сток – исток
при различных постоянных напряжениях
на затворе
.
(2.6)
Начнем
с характеристики при
(рис.6).
Напряжение
только при коротком замыкании истока
и затвора. Характеристика выходит из
начала координат под углом, определяемым
начальным сопротивлением канала и
сопротивлениями
и
участков полупроводника от истока и
стока до начальной и конечной точек
канала (x
= 0 и x
= 1 на рис. 5, а)
Первую
часть характеристики называют крутой
частью
и зависимость тока
уже обсуждалась (область
<
).
Часть характеристики при
>
называют пологой
частью
или участком
насыщения.
Отметим
еще раз условность термина “перекрытие”
канала. Как мы видели сужение канала
при
и при увеличении
является следствием роста тока стока.
Если исчезнет ток, то не будет и
перекрытия. Поэтому можно считать, что
с ростом тока стока (или
)
автоматически устанавливается некоторое
минимальное сечение канала со стороны
стокового электрода. При дальнейшем
росте
увеличивается длина этого суженного
участка канала и растет статическое
сопротивление канала, поэтому ток стока
остается практически неизменным.
При
подаче на затвор обратного напряжения
уменьшается начальное поперечное
сечение канала, т.е. сопротивление
канала возрастает. Поэтому и наклон
начальных участков ВАХ при
уменьшается, что соответствует большему
начальному сопротивлению канала.
При
меньших начальных сечениях перекрытие
канала из – за роста напряжения на
стоке
наступает при меньших значениях
.
При
больших напряжениях на стоке может
возникать пробой p
– n
перехода затвора. Обратное напряжение
на p
– n
переходе максимально у стокового конца
канала и равно
.
Поэтому пробой p
– n
перехода происходит при разных
напряжениях на стоке
,
зависящих от величины
.
Чем больше
,
тем меньше
.
Этот процесс соответствует третьей
части ВАХ на рис.6, соответствующей
быстрому росту тока стока
.
Большинство полевых транзисторов
кремниевые , поэтому пробой в них носит
лавинный характер.
Сток
– затворные или характеристики передачи
ПТУП представляют зависимость тока
стока
от
напряжения на затворе
при различных постоянных напряжениях
на стоке
.
Так как основным рабочим режимом
является режим насыщения тока стока,
то наибольшее значение имеет зависимость
(2.7)
Характер
этой зависимости ясен из принципа
работы транзистора: с ростом
ток стока
уменьшается. Изменение напряжения на
стоке
весьма незначительно изменяет положение
характеристики передачи из – за малого
изменения тока стока в пологой части
ВАХ.
Напряжение
ПТУП, при котором ток стока
достигает заданного низкого значения,
называется напряжением
отсечки транзистора
.
По
статической характеристике передачи
можно определить еще один важный
параметр полевого транзистора,
характеризующий его усилительные
свойства – крутизну
характеристики полевого транзистора
,
равную отношению приращения тока стока
к приращению напряжения на затворе при
коротком замыкании по переменному току
на выходе транзистора в схеме с общим
истоком
(2.8)
Получим
аналитическое выражение выходных
статических характеристик ПТУП.
Пренебрегая объемными сопротивлениями
участков кристалла между истоком,
стоком и границами канала, обозначенными
и
,
рабочую часть транзистора можно
упрощенно изобразить в виде рис.8.
Плотность тока в кристалле
(2.9)

где:
- удельная проводимость канала;
- потенциал точки в канале; Е –
напряженность электрического поля.
В первом приближении не учитываем зависимость удельной проводимости от напряженности электрического поля, т.е. не учитываем изменение подвижности носителей заряда. Плотность тока в канале изменяется по его длине, т.к. изменяется сечение канала и напряженность поля.
Ток в канале транзистора, одинаковый по всему каналу,
,
(2.10)
где: b – ширина канала.
Толщина канала (2.4) в обозначениях, принятых на рис.8, запишется:
(2.11)
Подставив (2.11) в (2.10) для модуля тока стока получим:
(2.12)
Решив
это дифференциальное уравнение с
граничными условиями:
;
,
получим уравнение выходной характеристики:
(2.13)
где:
- сопротивление участка сток – исток
в открытом состоянии, т.е. при
и малом напряжении на стоке
<
.
Из
(2.13) можно найти ток насыщения полевого
транзистора. Как отмечалось, перекрытие
канала наступает при напряжении
,
поэтому режим насыщения наступит при
условии
,
или при напряжении на стоке
.
(2.14)
Если
в (2.13) заменить
на
и
на
по (2.14), то получим связь между током и
напряжением насыщения
(2.15)
На
рис.6 штриховая кривая показывает эту
зависимость
.
Важно
знать и зависимость тока насыщения от
напряжения на затворе, т.е. сток –
затворную характеристику. Она получается
из выражения (2.13), если в него подставить
из (2.14)
(2.16)
Дифференцируя
(2.16) по
,
получаем крутизну характеристики
(2.17)
Анализ соотношения (2.17) позволяет сделать некоторые выводы:
-
Для увеличения крутизны характеристики
следует
уменьшить сопротивление
,
т.е. повышать удельную проводимость
.
Этого можно добиться увеличением
концентрации примеси в канале. С другой
стороны, концентрация примеси (и
носителей) в канале должна быть много
меньше, чем в n
– областях p
– n
переходов, чтобы при увеличении
обратного напряжения ОПЗ распространялась
преимущественно в область канала.
Поэтому для повышения проводимости
канала выбирают материал с большей
подвижностью носителей, сохраняя
невысокую их концентрацию. -
Значение крутизны зависит от отношения ширины канала к его длине
.
Увеличение отношения
позволяет повысить крутизну характеристики
и ток насыщения ПТУП. -
Повысить крутизну
можно
увеличением толщины канала
.
Но в этом случае резко возрастут
напряжения отсечки и граничное (
и
),
определяющие вход ПТУП в режим насыщения
– основной рабочий режим ПТУП. Напряжение
отсечки должно быть малым, поэтому
толщину канала делают небольшой, хотя
это и снижает крутизну характеристики
ПТУП.
2.3. Полевые транзисторы с изолированным затвором
Полевой транзистор с изолированным затвором (ПТИЗ) – это полевой транзистор, имеющий один или несколько затворов, электрически изолированных от проводящего канала.
Структуры ПТИЗ показаны на рис.9
В
полупроводнике n
–типа, например, с относительно высокими
удельными сопротивлениями, который
называют
подложкой,
созданы две сильно легированные области
с p
– типом проводимости. На них нанесены
металлизированные электроды истока
и стока.
Поверхность кристалла между истоком
и стоком покрыта тонким (
0,1
мкм) слоем диэлектрика, поверх которого
нанесен металлический электрод -
затвор.
Так получается МДП - структура: металл
– диэлектрик – полупроводник. Транзистор,
построенный на основе МДП – структуры,
называют МДП
– транзистором.
Исходным
материалом для ПТИЗ пока, в основном,
является кремний. В качестве диэлектрика
под затвором у них используется диоксид
кремния
,
полученный путем высокотемпературного
окисления. Такую структуру в области
затвора называют МОП – структурой:
металл – оксид - полупроводник. ПТИЗ,
построенные на основе МОП – структуры
называют МОП – транзисторами.
Очевидно, что термин МДП – более общий, поэтому он чаще применяется.
Существуют две разновидности МДП – транзисторов: с индуцированным каналом и со встроенным каналом.
В
МДП – транзисторах с
индуцированным каналом
(рис.9, а) проводящий канал между истоком
и стоком появляется только при
определенных полярности и величине
напряжения на затворе
,
которое называют пороговым
напряжением.
В
МДП – транзисторах со
встроенным каналом
(рис.9, б) у поверхности полупроводника
под затвором существует слой с типом
проводимости, инверсным к проводимости
подложки, называемый каналом.
Он существует и при
и соединяет области истока и стока.
МДП – транзисторы могут быть созданы как на подложке с n – типом проводимости (как на рис.9), так и на подложке с проводимостью p – типа. При этом сильно легированные области истока и стока, а также встроенный или индуцированный каналы будут иметь инверсную к подложке проводимость. Полярность подаваемых на электроды напряжений при этом также изменится на обратную.
2.4.1. МДП - транзисторы с индуцированным каналом
Из рис.9 видно, что области истока и стока образуют p – n переходы с областью подложки, поэтому область подложки отдалена от этих областей диодной изоляцией. Чтобы при работе транзистора ток не замыкался через подложку потенциал на ней, относительно истока особенно, должен быть запирающим. Поэтому у МДП – транзисторов имеется дополнительный вывод подложки который соединяется либо с истоком накоротко, либо подключается к точке схемы, потенциал которой выше потенциала истока.
При
условиях
и
ток стока будет представлять собой
обратный ток запертого p
– n
перехода между подложкой и стоком, т.е.
будет ничтожно мал. При отрицательном
напряжении
на затворе относительно истока (см.
рис.9, а) под воздействием электрического
поля у поверхности полупроводника под
затвором возникает обедненный основными
носителями заряда слой. Свободные
электроны вытесняются полем вглубь
подложки, но притоку дырок в поверхностный
слой препятствует положительный
объемный заряд ионизированных атомов
примеси. При
дырки, неосновные носители в подложке,
уже могут преодолеть противодействие
объемного положительного заряда и
заполняют поверхностный слой, формируя
тем самым проводящий канал между истоком
и стоком. Изменения напряжения на
затворе изменяют концентрацию носителей
заряда в канале и толщину проводящего
канала, т.е. изменяется его сопротивление.
Основной причиной модуляции сопротивления
канала является изменение концентрации
носителей в МДП – транзисторах с
индуцированным каналом, а в МДП –
транзисторах со встроенным каналом и
в ПТУП – изменение поперечного сечения
(или толщины) канала. При изменениях
сопротивления канала изменяется и ток
стока. Так происходит управление током
стока.
Так как затвор изолирован от подложки диэлектриком, ток в цепи затвора ничтожно мал, мала и потребляемая от источника сигнала мощность в цепи затвора и необходимая для управления достаточно большим током стока. МДП – транзисторы с индуцированным каналом могут усиливать электрические сигналы по напряжению и по мощности.
Выходные статические характеристики МДП – транзисторов по характеру аналогичны выходным ВАХ ПТУП (рис.10). Уравнение крутого участка ВАХ получается в виде:
(2.18)
где:
- удельная крутизна;
- пороговое напряжение.
Уравнение
(2.18) описывает выходную ВАХ в области
3. Ток достигает максимума
при напряжении на стоке, равном граничному
значению
(2.19)
После
точки
кривые, построенные по (2.18) отклоняются
от реальных ВАХ транзистора. Геометрическое
место точек (
)
представляет
собой параболу
![]()
(2.20)
которая
делит семейство ВАХ на крутую часть
(слева от параболы) и пологую, где (2.18)
уже не справедливо. Уравнение, описывающее
пологую часть можно получить, если
считать в первом приближении ток стока
на этом участке 1, 2 не зависящим от
.
Тогда ток стока на этом участке будет
постоянен и равен граничному
:
(2.21)
Нелинейность
крутых частей ВАХ в области 3 объясняется
уменьшением толщины канала по мере
приближения к стоку. По мере увеличения
напряжения на стоке
и неизменном напряжении того же знака
на затворе
это сужение будет все больше, пока при
напряжении
не произойдет перекрытия канала около
стока. Дальнейшее увеличение напряжения
вызовет лишь небольшое увеличение тока
стока
.
Р
аспределение
напряженности электрического поля в
канале при
,
т.е. для пологой части ВАХ показано на
рис.11. Ось x
направлена вдоль канала, x
= 0 соответствует началу канала у границы
области
истока, x
=
- конец канала у границы области
стока.
Напряжение
можно считать линейно возрастающим
вдоль канала от 0 у истока до
у стока. Тогда на расстоянии
от истока напряженность электрического
поля в канале Е положительна, т.е.
способствует притоку дырок в канал, а
на расстоянии
от стока она отрицательна, то есть
отталкивает дырки, движущиеся к каналу.
Но на этом же участке преобладает
касательная составляющая электрического
поля Еτ,
созданная отрицательным относительно
истока напряжением
.
Благодаря этому через этот перекрытый
участок канала идет ток дырок,
обусловленный касательной составляющей
электрического поля.
Увеличение
тока стока в пологой части характеристики
можно учесть с помощью внутреннего
сопротивления МДП – транзистора
:
Тогда уточненное уравнение ВАХ в области насыщения (1, 2) принимает вид:
(2.22)
При
больших
может наступить пробой МДП – транзистора,
причем он может быть двух видов: пробой
p
– n
перехода под стоком и пробой диэлектрика
под затвором (область 4 рис.10).
Пробой
p
– n
перехода носит лавинный характер, т.к.
МДП - транзисторы изготавливают на
кремнии. На пробивное напряжение
влияет напряжение на затворе: т.к.
и
одной полярности, то с ростом
будет расти и
(см.рис.10).
Пробой
диэлектрика под затвором может наступить
при
в несколько десятков вольт, т.к. толщина
диэлектрика под затвором очень мала
(
0,1 мкм). Этот пробой имеет тепловой
характер. Он может возникнуть даже за
счет накопления статических зарядов,
т.к. входное сопротивление МДП –
транзисторов очень велико. Для
предупреждения такого пробоя на входе
МДП – транзистора часто ставят
стабилитрон, ограничивающий напряжение
.
С
татические
характеристики передачи (проходные,
сток - затворные)
представляют зависимость
при
.
Семейство характеристик передачи
представлено на рис.12. ВАХ начинаются
в точке на оси входного напряжения
,
соответствующий
.
Это понятно, так как только при
индуцируется проводящий канал и
появляется ток стока
.
С увеличением параметра характеристик
зависимости
смещаются
вверх. Это легко объяснить на основе
выходных характеристик МДП – транзистора,
например. Из рис.10 видно, что с ростом
и при
ток стока
возрастает на любом участке выходной
ВАХ, но с разными значениями положительной
производной: на крутом участке 3 ток
растет резко – производная большая,
на пологом участке 1, 2 изменение тока
с ростом
незначительно – производная мала. На
рис.12 значениям
из области 3 рис.10 соответствуют кривые
при
и
,
а остальные кривые соответствуют
значениям
,
т.е. области 1, 2.
Сток
– затворные характеристики в активном
режиме усилительной области работы 1,
2 МДП – транзистора
хорошо описываются выражением (2.21), из
которого для крутизны этой характеристики
получаем:
(2.23)
Крутизна
пропорциональна введенной ранее
удельной крутизне
,
физический смысл которой проясняется
анализом (2.23). Действительно, при
В значение
,
т.е. удельная крутизна – это крутизна
прибора при эффективном управляющем
напряжении
.
Выразив
из (2.21) через ток стока, и подставив это
выражение в (2.23) получим зависимость
крутизны
от тока стока
:
(2.24)
Это выражение, также как и исходное (2.21) справедливо только в активной (пологой) области работы МДП – транзистора.
2.4.2. МДП - транзисторы со встроенным каналом
Структура p – канального МДП – транзистора со встроенным каналом показана на рис.9, б. Канал между истоком и стоком у этого типа транзисторов присутствует всегда. Он может быть создан либо методом локальной диффузии, или методом ионной имплантации соответствующих примесей в поверхностный слой подложки под затвором.
Модуляция
сопротивления проводящего канала этого
транзистора может осуществляться
подачей на затвор положительного или
отрицательного напряжения. При подаче
положительного
электрическое
поле затвора вытесняет дырки из канала,
эффективное сечение канала уменьшается
и ток стока
тоже уменьшается. В этом случае транзистор
работает в
режиме жиме обеднения.
При подаче отрицательного
электрическое поле затвора
стимулирует приток дырок в канал из тела подложки, поэтому ток стока возрастает за счет роста проводимости канала. Транзистор при этом работает в режиме обогащения. Это отражают и статические выходные ВАХ и сток - затворные характеристики, представленные на рис.13.
Статические
сток – затворные ВАХ выходят из точки
на оси
,
соответствующей напряжению
отсечки
,
т.е. напряжению
на затворе МДП – транзистора со
встроенным каналом, работающего в
режиме обеднения, при котором ток стока
достигает заданного малого значения.
Отметим главное отличие МДП – транзисторов с индуцированным и встроенным каналами. Первые могут работать только в режиме обогащения, а вторые – как в режиме обогащения, так и в режиме обеднения.
2.5. Основные параметры полевых транзисторов
В полевых транзисторах, в отличии от биполярных, ток в канале создается основными носителями заряда: электронами в n – канальных и дырками в p – канальных. В биполярных транзисторах управление выходным током осуществляется изменением входного тока, а у полевых транзисторов - изменением входного напряжения. Поэтому входное сопротивление полевых транзисторов на несколько порядков выше, чем у биполярных. Соответственно, входные токи полевых транзисторов на несколько порядков меньше, чем у полевых транзисторов. Поэтому усилительные свойства полевого транзистора, как и у электровакуумных приборов, оцениваются крутизной передаточной характеристики, а не коэффициентом передачи тока, как в биполярных транзисторах.
Эффективность управляющего действия затвора оценивается крутизной характеристики передачи, которая показывает количественное изменение тока стока при изменении напряжения на затворе на 1 вольт
при
(2.25)
Графически
крутизна
равна наклону касательной в заданной
точке характеристики передачи (сток –
затворной, проходной).
Вторым
важным параметром является внутреннее
сопротивление полевого транзистора
,
которое характеризует воздействие
напряжения сток – исток
на
ток стока
.Оно
определяется:
при
(2.26)
Физический
смысл внутреннего сопротивления
- это сопротивление транзистора
переменному току. Геометрически
определяет наклон выходной характеристики
транзистора в активной области: чем
положе идет выходная ВАХ, тем больше
.
Коэффициент усиления по напряжению
при
(2.27)
показывает во сколько раз по отношению к изменению входного напряжения увеличивается изменение выходного напряжения при заданной величине тока стока.
Перечисленные
три параметра
,
,
называются малосигнальными
параметрами полевого транзистора.
Их назначение легко определяется по
статическим характеристикам в заданной
рабочей точке.
Связь между малосигнальными параметрами с учетом формул (2.25) – (2.27) представляется в виде:
(2.28)
т.е. из трех параметров независимы только два.
3. ОПИСАНИЕ ЛАБОРАТОРНОГО СТЕНДА
Лабораторная работа выполняется на лабораторном стенде, содержащем базовый и измерительный модули со встроенными источниками питания, измерительными приборами и генератором сигналов.
Сборка исследуемых схем выполняется на монтажном поле с использованием функциональных элементов и соединительных проводов.
-
РАСЧЕТНАЯ ЧАСТЬ
-
Выписать из справочника паспортные данные транзисторов КП 303Г и КП 304А(или КП301Б), включая предельно допустимые параметры, зарисовать цоколевку транзисторов.
-
Д
ля
каждого типа транзисторов заготовить
координатные сетки для построения
выходных характеристик
,
выбрав удобный для построения масштаб.
Нанести на графиках область допустимых
режимов работы транзисторов, пользуясь
данными п. 4.1, как показано на рис.14.
Для
построения линии
произвольно выбрать 8 -10 значений
из промежутка от 0 до
и в этих точках рассчитать ток стока
по формуле
.
- предельно допустимая мощность,
выписывается из справочника. Результаты
расчета занести в табл.1 (для каждого
типа транзистора) и по ним построить
кривую
.
Таблица 1:
5. ЭКСПЕРИМЕНТАЛЬНАЯ ЧАСТЬ
-
Измерение статических характеристик ПТУП КП 303Г.Собрать схему для исследования рис.15.
|
|
|
|
5.2
Снять две характеристики передачи
(сток – затворные)
при двух напряжениях на стоке
и
.
Результаты измерений занести в таблицу
2.
-
Снять семейство выходных характеристик
при
трех значениях напряжения на затворе:


.
Данные занести в табл. 3.
Таблица3:
|
|
|||
|
|
|||
-
Собрать схему для измерения статических характеристик МДП - транзистора с индуцированным каналом КП 304А(или КП301Б) по рис.16.
Т
аблица
4:
|
|
|
|
5.5
Снять две сток – затворные характеристики
МДП – транзистора КП 304А (или КП301Б)
при напряжениях на стоке
и
результаты измерений занести в таблицу
4.
5
.6
Снять семейство выходных характеристик
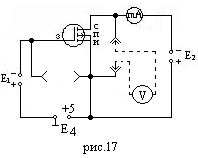
при трех значениях напряжения на затворе
(схема
рис.17). Значения
выбирать
по сток – затворной характеристике,
снятой в п. 5.5, так, чтобы наименьшее
значение
соответствовало току стока
,
при UСИ=0,9UСИmax
наибольшее значение
соответствовало току
,
при UСИ=0,9UСИmax,
а третье значение выбрать средним между
двумя первыми:
.
Данные занести в таблицу 5.
Таблица 5:
|
|
|
||
|
|
|
|
|
6. МЕТОДИКА ЭКСПЕРИМЕНТА И ОБРАБОТКА РЕЗУЛЬТАТОВ
-
При выполнении п. 5.2
следует
изменять от 0 до напряжения отсечки
(см. рис.7). Число точек на графике должно
быть 8 …10. -
По данным таблицы 2 построить характеристики передачи транзистора КП 303Г. Определить из графика
. -
При выполнении п.п. 5.3, 5.6 экспериментальные точки вносить в таблицы 3 и 5 и сразу же отмечать на приготовленных в расчетной части задания графиках. Необходимо следить, чтобы точки не выходили за пределы области разрешенных режимов работы транзистора.
-
По нанесенным на график точкам построить семейство выходных характеристик транзисторов.
-
По данным табл. 4 построить графики сток – затворных характеристик транзистора КП 304 А(или КП301Б).
-
Определить
при токе стока IС≈
50…100,
мкА. Измерения
следует начать с этой точки, увеличивая
затем
.
При этом следить, чтобы ток стока не
превышал допустимого значения (
). -
По сток – затворной характеристике транзистора КП 303Г определить ее крутизну в рабочей точке:
;
.
Для расчета крутизны
использовать формулу (2.25) в конечных
приращениях. -
На семействе выходных характеристик, снятых в п.5.3, проведите границу между крутым и пологим участками, пользуясь соотношением (2.14).
-
По выходным характеристикам определите внутреннее сопротивление транзистора по формуле (2.26) в следующих рабочих точках:
в
режиме насыщения
,
;
в
линейном режиме (крутая часть ВАХ) при
и трех значениях
![]()
![]()
.
Результаты занести в таблицу 6.
Таблица 6:
|
|
|
|
-
По сток – затворным характеристикам МДП - транзистора определить крутизну (2.25) характеристики в рабочей точке
;
,
определенному в п. 5.5. По найденному
значению
вычислить удельную крутизну
по формуле (2.24). -
На семействе выходных характеристик МДП – транзистора провести границу крутого и пологого участков ВАХ пользуясь соотношением (2.19).
-
По выходным характеристикам МДП – транзистора вычислить сопротивление транзистора
(2.26) в следующих рабочих точках:
в
режиме насыщения
,
;
в
линейном режиме при
и трех значениях
,
,
,
определенных в п.5.5. Данные расчета
свести в таблицу, подобную таблице 6.
7. СОДЕРЖАНИЕ ОТЧЕТА
-
Справочные данные транзисторов.
-
Необходимые расчетные формулы.
-
Схемы исследований.
-
Таблицы и графики экспериментальных результатов.
-
Результаты расчетов.
-
Анализ полученных результатов и выводы по работе.
8. КОНТРОЛЬНЫЕ ВОПРОСЫ
-
Нарисуйте схему устройства ПТУП и объясните принцип его работы.
-
Назовите режимы работы ПТУП. При каких соотношениях между напряжениями затвора и стока транзистор работает в каждом из режимов?
-
Какова роль затвора в ПТУП?
-
Как будет работать транзистор при различных полярностях напряжения
?
Какая полярность
соответствует рабочему режиму ПТУП? -
Нарисуйте выходные ВАХ ПТУП. Объясните характер зависимостей для каждого участка ВАХ.
-
Нарисуйте характеристики передачи ПТУП, объясните их поведение.
-
Укажите различие между ПТУП и МДП – транзисторами.
-
Объясните структуру и принцип работы МДП – транзистора с индуцированным каналом, назовите режим его работы.
-
Нарисуйте структуру и объясните принцип работы МДП – транзистора со встроенным каналом, назовите режимы его работы.
-
Нарисуйте семейства выходных характеристик МДП – транзисторов с индуцированным и встроенным каналами. Объясните их различие.
-
Нарисуйте и проанализируйте поведение сток – затворных характеристик МДП – транзисторов с индуцированным и встроенным каналами.
-
Перечислите основные параметры полевых транзисторов, укажите их физический смысл.
-
Укажите основные отличия полевых транзисторов от биполярных. Назовите их преимущества.
-
Объясните методику определения малосигнальных параметров полевого транзистора со статическими характеристиками.
9. ЛИТЕРАТУРА
-
Пасынков В.В., Чиркин Л.К. Полупроводниковые приборы. – СПб.: Издательство “Лань”, 2001. – 480 с.
-
Тугов Н.М., Глебов Б.А., Чарыков Н.А. Полупроводниковые приборы. . – М.: Энергоатомиздат, 1990. – 576 с.
-
Жеребцов И.П. Основы электроники. – Л.: Энергоатомиздат, 1990. – 352 с.
-
Степаненко И.П. Основы микроэлектроники. – М.: Лаборатория Базовых Знаний, 2001. – 488 с.
-
Манаев Е.И. Основы радиоэлектроники. – М.: Радио и связь, 1990. – 512 с.